PLC常見的輸入設備有按鈕、行程開關、接近開關、轉換開關、撥碼器、各種傳感器等,輸出設備有繼電器、接觸器、電磁閥等。正確地連接輸入和輸出電路,是保證PLC安全可靠工作的前提。

1、PLC與主令電器類設備的連接
圖1是與按鈕、行程開關、轉換開關等主令電器類輸入設備的接線示意圖。圖中的PLC為直流匯點式輸入,即所有輸入點共用一個公共端COM,同時COM端內帶有DC24V電源。若是分組式輸入,也可參照圖下圖的方法進行分組連接。

圖1 PLC與主令電器類輸入設備的連接
2、PLC與旋轉編碼器的連接
旋轉編碼器是一種光電式旋轉測量裝置,它將被測的角位移直接轉換成數字信號(高速脈沖信號)。因些可將旋轉編碼器的輸出脈沖信號直接輸入給PLC,利用PLC的高速計數器對其脈沖信號進行計數,以獲得測量結果。不同型號的旋轉編碼器,其輸出脈沖的相數也不同,有的旋轉編碼器輸出A、B、Z三相脈沖,有的只有A、B相兩相,最簡單的只有A相。

圖2 旋轉編碼器與PLC的連接
如圖2所示是輸出兩相脈沖的旋轉編碼器與FX系列PLC的連接示意圖。編碼器有4條引線,其中2條是脈沖輸出線,1條是COM端線,1條是電源線。編碼器的電源可以是外接電源,也可直接使用PLC的DC24V電源。電源“-”端要與編碼器的COM端連接,“+”與編碼器的電源端連接。編碼器的COM端與PLC輸入COM端連接,A、B兩相脈沖輸出線直接與PLC的輸入端連接,連接時要注意PLC輸入的響應時間。有的旋轉編碼器還有一條屏蔽線,使用時要將屏蔽線接地。
3、PLC與傳感器的連接
傳感器的種類很多,其輸出方式也各不相同。當采用接近開關、光電開關等兩線式傳感器時,由于傳感器的漏電流較大,可能出現錯誤的輸入信號而導致PLC的誤動作,此時可在PLC輸入端并聯旁路電阻R,如圖3所示。當漏電流不足lmA時可以不考慮其影響。

圖3 PLC與兩線式傳感器的連接

式中:I為傳感器的漏電流(mA),UOFF為PLC輸入電壓低電平的上限值(V),RC為PLC的輸入阻抗(KΩ),RC的值根據輸入點不同有差異。
4、PLC與多位撥碼開關的連接
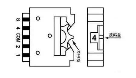
如果PLC控制系統中的某些數據需要經常修改,可使用多位撥碼開關與PLC連接,在PLC外部進行數據設定。如圖4所示,為一位撥碼開關的示意圖,一位撥碼開關能輸入一位十進制數的0~9,或一位十六進制數的0~F。

圖4 一位撥碼開關的示意圖
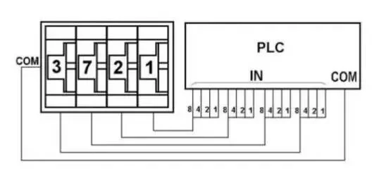
如圖5所示,4位撥碼開關組裝在一起,把各位撥碼開關的COM端連在一起,接在PLC輸入側的COM端子上。每位撥碼開關的4條數據線按一定順序接在PLC的4個輸入點上。由圖可見,使用撥碼開關要占用許多PLC 輸入點,所以不是十分必要的場合,一般不要采用這種方法。

圖5 4位撥碼開關與PLC的連接
5、PLC與輸出設備開關的連接
PLC與輸出設備連接時,不同組(不同公共端)的輸出點,其對應輸出設備(負載)的電壓類型、等級可以不同,但同組(相同公共端)的輸出點,其電壓類型和等級應該相同。要根據輸出設備電壓的類型和等級來決定是否分組連接。如圖6所示以FX2N為例說明PLC與輸出設備的連接方法。圖中接法是輸出設備具有相同電源的情況,所以各組的公共端連在一起,否則要分組連接。圖中只畫出Y0-Y7輸出點與輸出設備的連接,其它輸出點的連接方法相似。

圖6 PLC與輸出設備的連接
6、PLC與感性負載的連接
PLC的輸出端經常連接的是感性輸出設備(感性負載),為了抑制感性電路斷開時產生的電壓使PLC內部輸出元件造成損壞。因此當PLC與感性輸出設備連接時,如果是直流感性負載,應在其兩端并聯續流二極管;如果是交流感性負載,應在其兩端并聯阻容吸收電路。如圖7所示。

圖7 PLC與感性輸出設備的連接
圖中,續流二極管可選用額定電流為1A、額定電壓大于電源電壓的3倍;電阻值可取50~120Ω,電容值可取0.1~0.47μF,電容的額定電壓應大于電源的峰值電壓。接線時要注意續流二極管的極性。
7、PLC與七段LED顯示器的連接
PLC可直接用開關量輸出與七段LED顯示器的連接,但如果PLC控制的是多位LED七段顯示器,所需的輸出點是很多的。

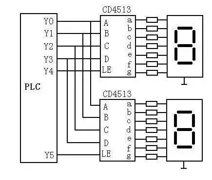
圖8 PLC與兩位七段LED燈顯示器的連接
如圖8所示,電路中,采用具有鎖存、譯碼、驅動功能的芯片CD4513驅動共陰極LED七段顯示器,兩只CD4513的數據輸入端A~D共用PLC的4個輸出瑞,其中A為最低位,D為最高位。LE是鎖存使能輸入端,在LE信號的上升沿將數據輸入端輸入的BCD數鎖存在片內的寄存器中,并將該數譯碼后顯示出來。如果輸入的不是十進制數,顯示器熄滅。LE為高電平時,顯示的數不受數據輸入信號的影響。顯然,N個顯示器占用的輸出點數為P=4+N。
如果PLC使用繼電器輸出模塊,應在與CD4513相連的PLC各輸出端接一下拉電阻,以避免在輸出繼電器的觸點斷開時CD4513的輸入端懸空。PLC輸出繼電器的狀態變化時,其觸點可能抖動,因此應先送數據輸出信號,待該信號穩定后,再用LE信號的上升沿將數據鎖存進CD4513。
上一個: PLC選型的八大步驟
下一個: PLC中的三大量分別是什么?有什么關系?